Click Image for Gallery
Ask Question
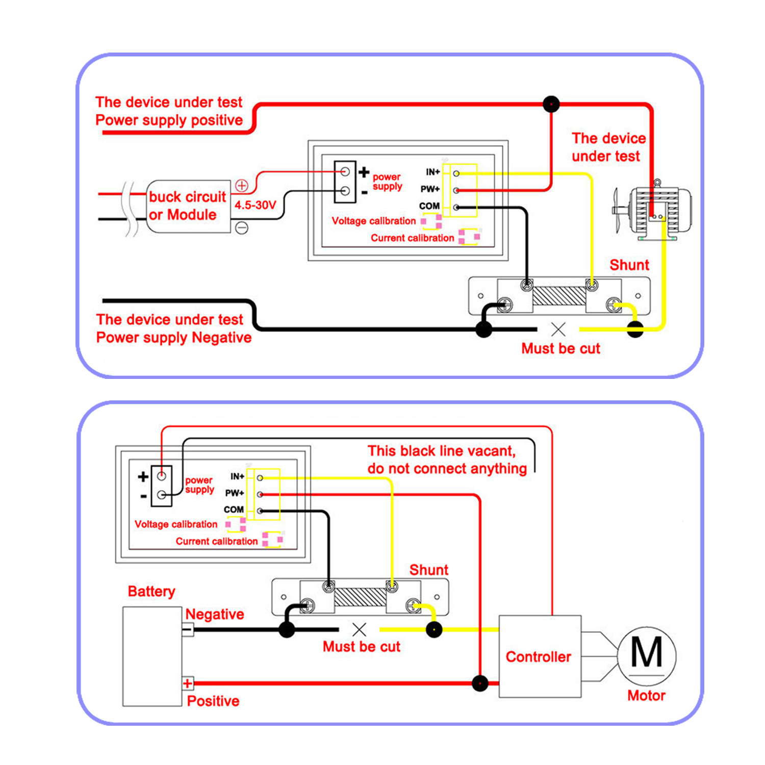
The 50A Shunt Resistors is DC Ammeter Accessories . Shunt Main By Manganese copper And Copper connectors Welding Constitute And In Shunt Both ends Connector Have Two groups Wiring End. Application to the Power Cord and Measuring instruments Connection.
Feature:- Model: FL-2 50A/75mV
- Error rating: 0.5-1.0
- Dimensions: 120 x 25 x20 mm
- Mounting Holes: 100mm
- 1x 50A/75mV Shunt
| Attributes | |
| input voltage | -- |
| output current | 50A |
| output power | -- |
| output voltage | -- |
| output ways | 1 |











-150x150.jpg)
-150x150.jpg)
-150x150.jpg)
